您好,欢迎光临湖南瑞之泰电气有限公司官方网站!
产品列表
招商加盟 手机浏览

联系我们

服务热线:

0731-82204396

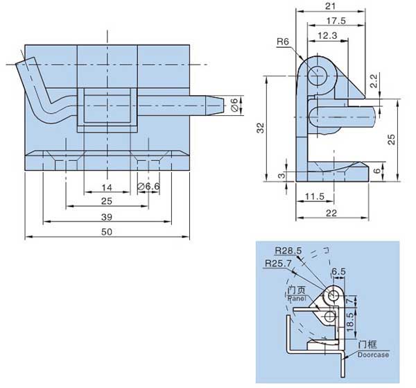
HL015

当前位置:首页>> 产品中心>> 锁具系列>> 铰链

  • 产品详情
特征
● 材质:锌合金动、静铰链,分不锈钢和镀镍钢销子
● 表面处理:喷无光黑
● 备注:转动约180°
材质
● 锌合金
表面处理
● 喷塑
用途