您好,欢迎光临湖南瑞之泰电气有限公司官方网站!
产品列表
招商加盟 手机浏览

联系我们

服务热线:

0731-82204396

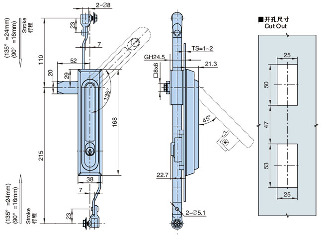
MS4092P-1-1

当前位置:首页>> 产品中心>> 锁具系列>> 连杆锁

  • 产品详情
特征
● 材质:PA6+30%GF锁壳、锁背,不锈钢装饰条,锌合金锁芯壳、锁芯、齿轮盒,A3拉杆
● 表面处理:镀亮铬锁芯、齿轮盒,镀蓝白锌拉杆
● 结构功能:锁背135度旋转带动,齿轮盒组件实现开启和锁闭。
● 适用门板厚:2mm
● 备注:锁片开孔□8x8
材质
表面处理
● 电镀
用途